

드럼형 리미트 스위치란 다접점 출력 타입의 리미트 스위치입니다.
크레인, 언로더, 스태커 리클레이머, 이동식 트리퍼, 선회슈트 등 산업계 많은 제조라인 등에서 사용되는 기계장치의 위치결정 제어용으로 널리 이용되고 있습니다.
입력방법, 접점수, 검출정도, 발신기 유무 등 현장의 요청에 따라 커스터마이즈도 가능합니다.
1대로 많은 접점 신호를 출력할 수 있기 때문에 공간 절약 및 배선을 실현합니다.
예를 들어 왼쪽 그림과 같은 이동식 트리퍼에 일반적인 리미트 스위치를 이용한 경우 각 호퍼 위에 리미트 스위치를 배치해야 하며 각각 배선해야 합니다. 또한 미세조정 시 리미트 스위치의 위치가 나쁘면 최악의 경우 설치 위치를 변경해야 합니다.
이를 드럼형 리미트 스위치에 집약하는 것으로 공간 절약화와 배선, 조정의 자유도 향상을 실현할 수 있습니다.
\ 관련된 자료의 다운로드나 문의는 아래의 버튼을 눌러주세요. /

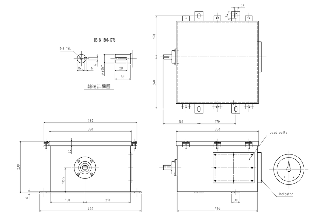
캠 직경이 Φ110mm로 커서(표준 타입) 조정하기 편합니다.


※ 상세한 내용에 관해서는 취급 설명서를 확인해 주세요
주로 입력 샤프트, 감속기, 캠, 마이크로 스위치로 구성됩니다.
샤프트가 설비로부터의 회전수를 받아들이면, 복수의 캠의 요철이 각각의 마이크로 스위치를 ON/OFF시켜 위치 정보로서 접점 신호를 출력합니다.
일반적인 모터나 감속기 등의 동작에 의한 통상의 진동에 대해서는 문제가 없지만, 큰 진동은 고장의 원인이 됩니다.
진동 체나 진동 피더 등의, 큰 진동 발생원 근처에는 설치하지 말아 주세요.
원칙적으로 기기는 수평으로 장착해 주십시오.입력축에 스프로켓이나 커플링을 부착할 경우 무리하게 박아 강한 충격을 가하면 베어링이나 기어 부분이 고장나는 원인이 됩니다.
입력축을 기어나 체인으로 연결할 경우 강한 하중이 입력축에 걸리지 않도록 하십시오.
납품도의 캠 구성도를 확인하면서 배선해 주세요.
결선 후에는 방수 커넥터를 확실하게 조여 주십시오.
기본적으로 공장 출하 시 조정이 완료되었으므로 설치 시 재조정할 필요가 없습니다.
단, 미세조정 등을 실시하는 경우는 취급설명서에 따라 조정해 주십시오.
※ 상세한 내용에 관해서는 취급 설명서를 확인해 주세요





\ 관련된 자료의 다운로드나 문의는 아래의 버튼을 눌러주세요. /