

雷達式微波料位計,是能在粉塵・蒸氣・高溫等嚴苛的環境下,來測量料桶或料倉的儲存料位的非接觸式電波式料位計。使用在料桶或料倉的庫存管理或控制,來貢獻設備的自動化或省力化。
\ 相關資料的下載或諮詢在此 /
微波料位計的主要特長如下。

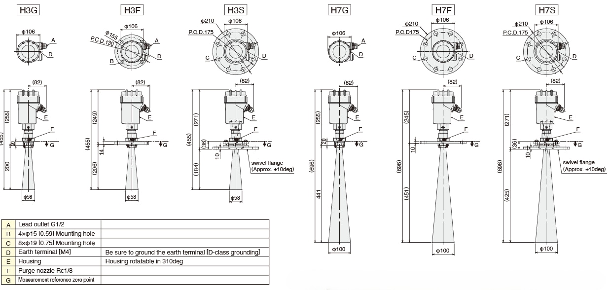
備有液體用、粉體用、防爆、可調角度法蘭、固定法蘭等標準下10種系列。

可使用對應HART通訊的機器來調整。

可以配合周圍溫度、測量物的性質、安裝方向等現場的環境來做客製化。
微波料位計是使用26GHz頻率(微波)的Time of Flight(TOF)(飛行時間)方式的電波式料位計。
Time of Flight(TOF)方式是指
從感應器發射的微波脈衝從測量物的表面反射,作為反射波在感應器收訊。此微波脈衝的往返時間來換算成距離的測量方式。


選定的位置應該避免料位計的測量領域有障礙物或是進入不感帶。對安裝位置有疑慮的話請向Matsushima Measure Tech諮詢。

料位計的發射方向盡量調整到垂直於測量面。測量面為水平的液面時無須調整角度。

2線傳輸式可以同時達到電源供給與輸出類比訊號。請連接敝司或是市售的分配器。投入電源後即開始測量。

使用專用接線來連接安裝了專用軟體的PC與料位計,就可以簡單的設定0%與100%、雜訊學習、確認波形等。
※詳細請參閱使用說明書。

\ 相關資料的下載或諮詢在此 /
預想客戶會遇到的各種使用環境,備有10種的系列。





\ 相關資料的下載或諮詢在此 /