

レーダー式ミリ波レベル計は、電波の反射を利用して、粉塵・蒸気・高温など厳しい環境下でもタンクやサイロ内の貯蔵レベルを非接触で高精度に測定できる電波式レベル計です。
粉体・粒体の在庫管理やレベル制御に使用することで、危険な高所作業や人手による計測を削減し、設備の自動化・省力化・安全性向上に貢献します。
20時間かかっていた危険なレベル計測作業――日本の製造現場が抱える課題は、なぜ変えられたのか。
過酷な環境でも安定計測を実現するレーダー式ミリ波レベル計が生産現場の安全性と効率を実現することができます。
本動画では、マツシマのレーダー式ミリ波レベル計の特長や導入効果について、わかりやすく紹介しています。
\ 関連する資料のダウンロードやお問い合わせはこちら /
ミリ波レベル計の主な特長は次のとおりです。

特定小電力機器に登録された電波法適合品です。電波法を気にすることなく屋内外でご利用いただけます。
特定無線設備の種別:
証明規則第2条第1項第8号
無線設備/特定小電力機器
認証番号:001-A19642

Bluetooth接続でスマートフォンやPCから機器の調整がおこなえます。調整のための配線は必要ありません。近づくことが難しい現場でも安全な場所から操作可能です。


レベル計の方位と角度がわかります。点検や更新時に設備からレベル計を取り外した場合でも、復旧が簡単です。
ミリ波レベル計はFM-CW方式のレベル計です。
FM-CW方式とは、一定の周期で周波数を変調させながらミリ波を送信し、ターゲットで反射、受信された時に送信しているミリ波との周波数の差を、往復の伝搬時間に変換、距離として計測します。


レベル計の測定領域に障害物が入らない位置、そしてレベル計の不感帯内に測定物が入り込まない位置を選びましょう。取付位置にお悩みの場合はマツシマメジャテックへご相談ください。

測定面に対しレベル計の発信方向ができるだけ垂直になるようレベル計の角度を調整しましょう。測定面がフラットな液面の場合は角度調整は必要ありません。なお、専用アプリで設置角度を確認したら控えておくとメンテの際に便利です。

2線伝送方式なので電源供給とアナログ出力が2線で行えます。当社のシグナルコンディショナまたは市販のディストリビュータなどと接続ください。電源が投入されると測定を開始します。

PCやスマホ用の専用アプリでレベル計とBluetooth接続すれば、0%と100%設定、角度確認、ノイズの学習などが簡単に行なえます。
※詳細に関しては取扱説明書を御覧ください。

\ 関連する資料のダウンロードやお問い合わせはこちら /

発信面が付着すると電流出力信号(DC4~20mA)にビートを刻んでお知らせします。また、点検日を指定しても同様にお知らせします。誤動作を未然に防ぎ安定した計測が可能です。

発信面には360°全方向からエアレーションできるパージ機構を搭載。粉塵や蒸気により測定物が発信面へ付着することを防止できます。

方位・角度検出機能を搭載。【特許取得】点検や更新時に設備からレベル計を取り外した場合でも、復旧が簡単です。
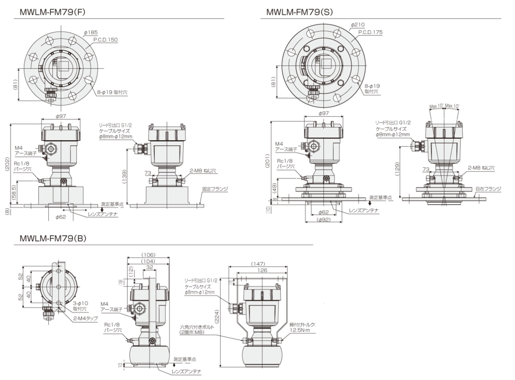
以下の通り9つのラインナップをご用意しております。


フォームが表示されるまでしばらくお待ち下さい。
恐れ入りますが、しばらくお待ちいただいてもフォームが表示されない場合は、こちらまでお問い合わせください。